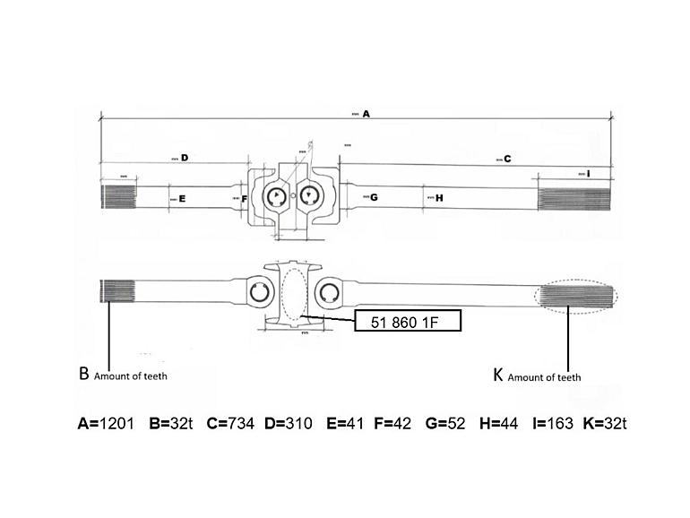
Faun ATF 30 drive shaft axle 1
Drive shaft for Faun ATF 30 axle 2
Information
| Article Number: | LB 704 010 |
| Brand: | Faun |
| Name: | Faun ATF 30 drive shaft axle 1 |
| Category: | Drive shafts |
| Crane of Origin: | Handel Algemeen |
| OEM numbers: |
Get in contact for more information

Call us on
+31 252 235 468
+ 31 655 886 363
Parts@ucmholland.com