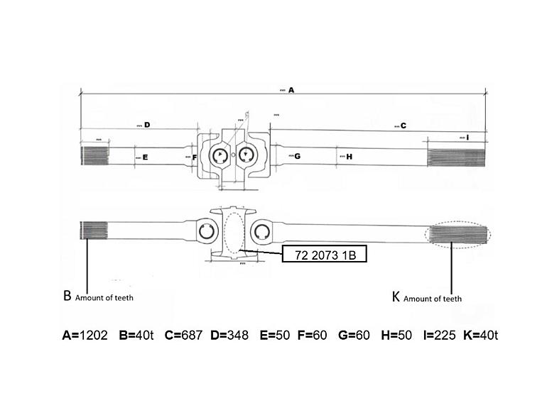
Liebherr LTM 1070 drive shaft axle 2
Drive shaft for Liebherr LTM 1070 axle 2
Informacion
| Número de artículo: | V 000 210a |
| Marca: | Liebherr |
| Nombre: | Liebherr LTM 1070 drive shaft axle 2 |
| Categoría: | Árbol de Transmisión |
| Grua de origen: | Handel Algemeen |
| OEM numbers: |
Ponte en contacto para más información

Llámanos ahora
+31 252 235 468
+ 31 655 886 363
Parts@ucmholland.com